
「Smaart v8 入門編」
販売元 音響特機株式会社
Rational Acoustics Smaart v8 音響測定ソフトウェア
- Smaart v8 インストール
- 1ライセンスで2台までインストールできる
- Smaart v8で出来る事
- 音を測定して可視化する
- 波形をキャプチャーする
- キャプチャー波形とRTAマイクからの音を比較する
- TopとSubスピーカーのアライメントを見る
- 波形を見てスピーカーをチューニングする
- 本番中でも測定することができる
基準信号にシグナルジェネレーター(ピンクノイズ)を利用して、基準信号とスピーカーから出た音を比較(リファレンス)する。- Smaart v8で出来ない事
- 音に変化を与えること
- スピーカーのチューニングを自動化すること
DriveRack VENU360(外部:リンク)にある、会場に適した音質補正を自動的に行う「オートEQ」等の機能は有していない。
Smaart v8は測定ツールで直接、音に影響を与えるツールではありません。測定結果を基に手動でスピーカーの位置、高さや向き、PEQ値、Delay値、クロスオーバー値などを調整してチューニングしていきます。
機材リスト
- PC(Smaart V8 インストール)
- オーディオインターフェイス「オーディオ I/F」:STEINBERG / UR22mkII
- 測定用マイク「RTAマイク」:dbx / RTA-M 測定用マイク
- シグナルジェネレーター:(Smaart内部)、(ミキサー内部)、(外部ツール)
- デジタルミキサー:ALLEN&HEATH / Qu-24
- アクティブ型Topスピーカー:
- アクティブ型Subスピーカー:
接続図 ★TopとSubのX-Over Arrangement

- 図にある「ピンクノイズをミキサーへ※1」の配線は、ミキサー本体でピンクノイズを出力できる場合やノイズスティックを使用する場合は不要となります。
- Mix1(reference信号出力)への接続は、オーディオI/Fのファンタム電源(+48V)をミキサー入力へ印加させないためにフォーンプラグを使用しています。
- スピーカーへの出力に、Mix2とMix3を使用する理由は、アライメント調整時にミキサー側でディレイを掛けるためです。アクティブ型Subスピーカーの本体にあるディレイ調整を利用することもできますが、TopスピーカーとSubスピーカーをミキサー側でon/offしてそれぞれを測定したいためです。
- RTAマイクは、スピーカーからの音を測定します。スピーカーをL・Rに配置している場合は、片側のスピーカーへ向け設置し測定します。測定しない側は鳴らさないようにします。今回のテストは倉庫内で行ったため、スピーカーとRTAマイクの距離は4m程度でした。
-
Smaart v8
シグナルジェネレーター
[Pink Noise]
[0dB]
-
ミキサー
ch1フェーダー: ←オーディオI/F←PC(ピンクノイズ)
Mix1:reference信号 オーディオI/Fのch2へ接続
Mix2:Topスピーカーへ接続
Mix3:Subスピーカーへ接続
レベル調整後は、フェーダーには触れずミュートスイッチのon/offで操作する。 -
オーディオI/F
RTAマイク用にファンタム電源 +48V :ON
ch1ボリューム:L_micレベル RTAマイク信号
ch2ボリューム:R_referenceレベル reference信号
PC(Windows11) サウンドの設定




起動画面


メニューバー







Smaartの設定



折れ線グラフ表示へ変更は、Banded Data → Lines へチェックを入れる


棒グラフ表示へ変更は、Banded Data → Bars へチェックを入れる




画面表示例



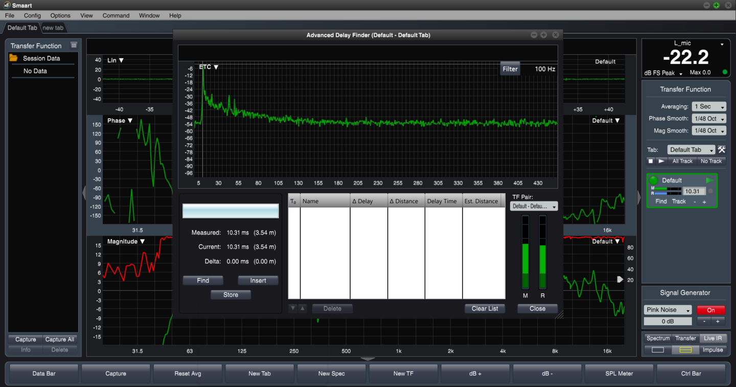
(重要!)Findを実行してスピーカーとRTAマイクの距離や時間を調べ補正する





リファレンス信号とスピーカーからの出音を比較する

測定値をキャプチャーする







クロスオーバー付近の位相を見る
反射音の多い環境で大音量で計測すると反射音によってコヒーレンスが悪化する。
最初は3m程度の距離で小さめの音を鳴らして測定すると分かりやすい。
全域をチューニングする

ワンポイント
コヒーレンス(英語: coherence)とは、波の持つ性質の一つで、位相の揃い具合、すなわち、干渉のしやすさ(干渉縞の鮮明さ)を表す。Smaartの場合は値の「信頼性」と理解すると分かりやすい。
外部リンク: wiki
問題解決のためのポイント
ピンクノイズが鳴らない
PCのオーディオがミュートになっている
オーディオインターフェイス認識の確認
Windows:コントロールパネル → ディバイスマネージャー
参考外部サイト(YouTube)
01 | 弊社へのお問い合わせは、ページ内の「お問い合わせ・注文窓口」よりお願いいたします。 |
---|---|
02 | 内容を確認したうえで、メールまたは電話にてご連絡させていただきます。 |
03 | お急ぎの場合は電話で結構ですが、ご連絡を頂く前に「お問い合わせ・注文窓口」フォームから商品、日程、お客様情報等をご連絡頂けますと、円滑にお話ができるものと思います。 |